1. 电解电容的核心作用
主要用作电路的"能量水库"
常见于逆变器、DC-DC转换器中
相比其他电容,能提供更大容量(如220μF)

2. 选型关键参数
电容值:决定低频滤波效果
ESR:影响高频损耗和系统稳定性
温度影响:温度升高会降低ESR,但会缩短寿命
3. 重要设计要点

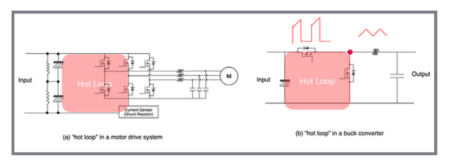
热环路效应:
电容到开关管的电流回路面积越小越好
建议距离≤3cm
环路太大会导致EMI问题
4. 实用小技巧
铝壳电解电容自带EMI屏蔽功能
高频辐射可降低3-5dB
比薄膜电容更经济实惠
总结:
先看容量和ESR
布局比参数更重要
善用铝壳的屏蔽功能